Definitivamente no he conseguido encontrar un esquema eléctrico completo del 905 restyling...
Pero bueno, sacando un poco de aquí y un poco de allá entre la documentación que tengo de las varias versiones de 33 creo que el esquema debería ser como éste... y si no lo es será muy parecido:
No tengo claro dónde va un cable rosa-blanco, aunque poco importa ya que parece ser la continuación de una línea de positivo hacia otros componentes...
Tampoco tengo claro a dónde van/de dónde vienen los cables negros (que salen juntos del mismo conector) pero tampoco importa porque son negativos que tarde o temprano terminarán en masa...
A partir de aquí volveré a comprobar continuidades y tensiones, además de comprobar las diferentes masas...
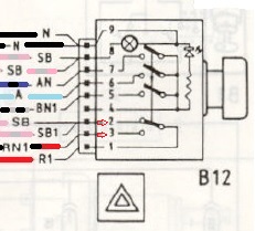
Por otro lado, creo que éste es el esquema de funcionamiento del botón del warning:
Coinciden los colores de los cables y los números de los terminales a los que éstos van conectados. La única diferencia es que en el esquema hay un solo cable rojo-negro y yo tengo dos que salen del mismo conector. Parece ser que es una prolongación de la línea de positivo que lleva corriente al ¿interruptor del pedal de freno? En todo caso, tampoco esto parece tener importancia...
A partir de ese esquema también comprobaré las continuidades del interruptor del warning tanto en posición de apagado como de encendido: y es que sí, tal y como se ven las conexiones interiores sí que puede ser que un mal funcionamiento de dicho interruptor influya en los intermitentes...
Saludos
